Lưu ý: Tham khảo ý kiến của nhân viên VNATION sẽ giúp bạn tiết kiệm được thời gian và chi phí khi cần mua sắm. Với sự tư vấn của chúng tôi, bạn sẽ không gặp khó khăn khi tìm hiểu về đặc tính của sản phẩm cần mua.
Function and features
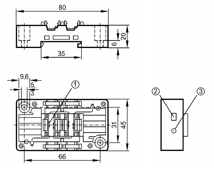
This module enables addressing of slaves in the classic design (EMS) in the wired AS-i network. If addressing takes place during installation, the ifm controller will signal "Alarm Config" because the slave is automatically removed from the network when the addressing plug is connected. After the addressing operation and removal of the addressing plug from the module the controller restarts automatically. For operating characteristics of other masters please contact the corresponding manufacturers.


MODEL:
– AC5010
– AC5012
Vnation JSC có khả năng tư vấn mua sắm, sử dụng, lắp đặt và cung cấp các thiết bị, dụng cụ đo lường, tự đông hoá, điện công nghiệo… Nếu bạn có nhu cầu mua sắm hoặc cần sự hỗ trợ về kỹ thuật cho một thiết bị không được liệt kê ở đây, xin vui lòng liên hệ với chúng tôi
Lưu ý: Nếu một thiết bị nào đó không được liệt kê ở đây, điều đó không có nghĩa rằng chúng tôi không hỗ trợ được bạn về thiết bị đó. Hãy liên hệ với chúng tôi để biết danh sách đầy đủ về thiết bị mà chúng tôi có thể hỗ trợ và cung cấp.
Hotline: 0947.200.184|Tel: 028.7300.0184|Email: info@vnation.com.vn
Lưu ý: Nếu một thiết bị nào đó không được liệt kê ở đây, điều đó không có nghĩa rằng chúng tôi không hỗ trợ được bạn về thiết bị đó.
Hãy liên hệ với chúng tôi để biết danh sách đầy đủ về thiết bị mà chúng tôi có thể hỗ trợ và cung cấp.
VNATION: Bán, Báo giá, tư vấn mua sắm và cung cấp, tư vấn sản phẩm thay thế; tương đương, hướng dẫn sử dụng, giá…VNĐ, …USD info@vnation.com.vn | Sales: +84 0939021319 | EMS-Base FC addressing socket.