1.GIỚI THIỆU CHUNG:
Sản Phẩm PEM-1000 là thiết bị đo lường chính xác dành cho việc đo lường dòng chảy của chất lỏng trong một đường ống.
vCác ứng dụng của Aplisens PEM – 1000 :
· Dùng để quản lý nước uống và đo nước thải
· Dùng trong các ngành công nghiệp hóa chất, dệt, giấy, công nghiệp khai thác mỏ
· Dùng trong công nghiệp thực phẩm dạng lỏng
· Dùng trong kỹ thuật điện và nhà máy nhiệt
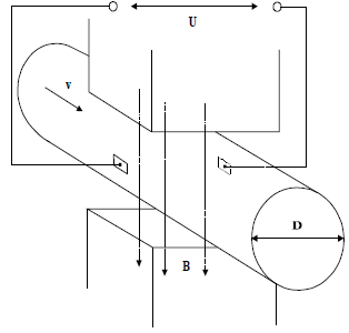
2.NGUYÊN TẮC HOẠT ĐỘNG:
Các phép đo được dựa trên các nguyên tắc của định luật cảm ứng điện từ Faraday. Theo định luật này, khi từ thông đi qua một mạch kín thay đổi thì trong mạch đó xuất hiện một dòng điện cảm ứng. Áp dụng định luật này, các thiết bị đo lưu lượng bằng phương pháp điện từ phải được thiết kế theo nguyên tắc như hình vẽ dưới đây. Từ trường B phải được tạo ra bởi một cặp cuộn dây đặt sát với ống có đường kính D. Cặp điện cực có nhiệm vụ tiếp nhận điện áp cảm ứng U và chuyển về bộ chuyển đổi tín hiệu. Theo định luật Faraday, Giá trị của điện áp cảm ứng U phù thuộc vào từ trường B, đường kính D của ống và vận tốc chuyển động V của khối chất lỏng trong đường ống theo phương trình toán học sau đây:
U = B x D x v
Trong đó:
U =điện áp tổng D = đường kính ống
v = tốc độ dòng chảy B = từ tính cảm ứng

Nếu từ trường cảm ứng B và đường kính ống D là hằng số, sau đó điện áp cảm ứng là tỷ lệ thuận với giá trị trung bình của tốc độ dòng chảy .Chất lỏng chảy qua một lưu lượng kế vuông góc vớihướng của từ trường. Điện áp được theo dõi bởi hai điện cực đặtvuông góc với cả từ trường và dòng chảyđược gây ra bởi một dòng chảy chất lỏng. Kích thích hiện tại với mộtdạng sóng hình chữ nhật được tạo ra trong một chuyển đổi và tác động lên cảm biến cuộn dâytạo ra từ trường của lưu lượng kế.
3.CÁCH VẬN HÀNH THIẾT BỊ ĐO LƯU LƯỢNG:
Ở chế độ RUN, ta bấm phím next để chọn thư mục muốn xem ở đây có các thư mục như: Q(t) record, H-Statistics, D-Statistics, M-Statistics, Date/time View
· Q(t) Record: ghi lưu lượng dòng chảy trung bình 5 phút
· H-Statistics: Thống kê hàng giờ tổng khối lượng, thời gian hoạt động của lưu lượng kế
· D-Statistics: Thống kê hàng ngày tổng khối lượng, thời gian hoạt động của lưu lượng kế
· M-Statistics: Thống kê hàng tháng tổng khối lượng, thời gian hoạt động của lưu lượng kế
· Các phím UP and DOWN : dùng để khi người dùng muốn đi đến cửa sổ menu phía trên.
vCác thao tác để kiểm tra theo dõi thiết bị:
Dùng phím NEXT để chọn các thư mục cần đến.Sau đó bấm phím UP or DOWN để lựa chọn các khoảng thời gian bạn cần xem.
Lưu ý: Để quay trở lại màn hình MENU cần bấm tổ hợp phím SHIFT + NEXT cùng một lúc.



Comments are closed.